比較資料
カートへ入れる
比較表
作成する

ハイブリッドジョイント(3LⅡAタイプ)

2026/02/06 更新
  • 製品単体
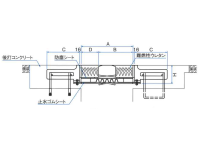
  • 製品断面図
  • 施工後イメージ

NETIS登録番号:KT-210067-A

概要

ハイブリッドジョイントは、ゴム技術とメタル技術を複合した伸縮装置。独自の技術と構造により、高止水・低騒音・快適走行で長期耐久性を実現し、橋梁の長寿命化に貢献している。

youtubeを見る お問い合わせ
お気に入りに登録
カートへ入れる

提供可能地域

北海道 東北 関東 北陸 中部 近畿 中国 四国 九州 沖縄
型番 質量
(kg/1.8m)
伸縮量
常時性能
橋軸方向
(mm)
伸縮量
常時性能
橋軸直角方向
(mm)
許容移動量
地震時性能
橋軸方向
(mm)
許容移動量
地震時性能
橋軸直角方向
(mm)
標準遊間
中立温度時
(mm)
最大床版遊間
最低温度時
(mm)
対応可能斜角
(°)
建設物価
(品目コード)
土木コスト
(掲載ページ)
3LⅡA-200 +100/-100 330.0 430.0 1203019578
3LⅡA-250 +125/-125 405.0 530.0 1203019579
3LⅡA-300 +150/-150 480.0 630.0 1203019580
3LⅡA-350 +175/-175 555.0 730.0
3LⅡA-400 +200/-200 630.0 830.0 1203019582
3LⅡA-450 +225/-225 705.0 930.0
3LⅡA-500 +250/-250 780.0 1030.0
3LⅡA-600 +300/-300 930.0 1230.0 1203019586
設置区分
車道用 歩道用 縦目地
タイプ
荷重支持型 突合せ型 埋設型
装備
積雪地対応 二次止水 地覆止水
適用
コンクリート橋用 鋼橋用 鋼床版用
構造性
・荷重支持部とプレートアンカー部を一体構造とすることで、長大橋等の大伸縮量に適応可能となった。
耐久性
・第三者機関の疲労試験において、試験体および伸縮装置部分に大きな変形や破壊が生じないまま、当初予定していた繰返し回数100年相当分(載荷1,200万回)に到達。
走行性
・輪荷重支持間隔が小さく、走行時の衝撃振動が発生しにくいため、スムーズで快適な走行が得られる。
止水性
・ゴム止水シートとファスナーによる接続の止水構造で、優れた水密性を獲得。
・第三者機関の止水性能試験の結果、50年相当分の水張り試験によって漏水は認められず、評価基準に合格。
維持管理性
・金属疲労による損傷が発生しない構造で、目視での維持管理が可能。
・目視点検で十分なので規制を伴う打音点検などが不要。
推定耐用年数(参考値)
100年(参考値)
第三者機関の疲労試験において、試験体および伸縮装置部分に大きな変形や破壊が生じないまま、当初予定していた繰返し回数100年相当分(載荷1,200万回)に到達。
経済性(初期コスト)
お問い合わせください。
経済性(LCC)
お問い合わせください。

会社情報

会社名
(株)クリテック工業
TEL
03-5403-7373
企業情報
公式サイト

このカテゴリーでよく比較される資材

!

エラーが発生しました。

次のいずれかの理由が考えられます。

比較可能な数量を超えたため
カートに追加できませんでした。
比較できる点数は20点までです。
「工種・工法」と「資材」を同時に
比較することはできません。
カート内を整理してご利用ください。
2点以上をカートに追加してください。
カート内容を確認する
!

カートへの追加
ありがとうございます。

会員登録をすれば、
カートに入れた製品の
比較表のダウンロードができます。

会員の方はこちら(ログイン) 新規会員登録
!

お気に入り登録
ありがとうございます。

会員登録をすれば、マイページより
いつでもお気に入り登録した商品を
見返すことができます。

会員の方はこちら(ログイン) 新規会員登録