建設資材・工法選定に関わる人のための建設資材・工法情報比較サイト
液体の危険物の漏れを検知するための管。
カタログ
非常用・常用発電機ならびにボイラー・暖房器具の燃料貯蔵タンクの残量管理、工業市場の液体原料・製...
除水口。
液体の危険物の地下貯蔵タンクの注入口。液体の危険物の屋上貯蔵タンクの注入口。いずれも危険物の規...
ニーズにより、仕様の異なる指示計ユニットボックスを標準化している。仕様に合わせて使用可能。
ボイラーなど暖房器、自家用発電機の燃料供給用サービスタンクおよび各種液体を貯蔵するタンクの液面...
KPW・WPMK型はSHASE-S 209-2009の試験方法に基づき荷重試験を行っている。
計量器やギヤ・ポンプ等のサクション側の油が落ちないように、タンクから立ち上がりの送油管(排油管...
SF二重殻タンクの漏洩検知管に設置するフロートスイッチと、漏洩の発生を知らせるモニタで構成。...
注油口ボックスは給油口を取り付ける単独型と、給油口と液面指示計及びローリーアース端子を取り付け...
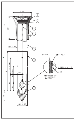
タンク内残量を測定するために使用する。計量尺には、容量(高さ)メモリが刻まれており計量口より挿...
計量口は、軽量尺でタンク内残量を測定する場合に計量尺を差し込むための口。
ガソリン、ベンジンその他静電気による災害が発生する恐れのある液体の危険物も移動貯蔵タンクに入れ...
送油管(排油管、吸油管)の下端吸込口には、タンク底部にたまった水や沈殿物を吸引しないために除水...
暖房・自家用発電機の燃料供給用サービスタンクを始め、水・溶剤などを貯蔵する中小タンクの残量測定...
高分解能・高精度計測を実現。...
危険物貯蔵地下タンク室充填用人工軽量骨材「カルドライ」...
エラーが発生しました。
次のいずれかの理由が考えられます。
カートへの追加ありがとうございます。
会員登録をすれば、カートに入れた製品の比較表のダウンロードができます。
お気に入り登録ありがとうございます。
会員登録をすれば、マイページよりいつでもお気に入り登録した商品を見返すことができます。