比較資料
カートへ入れる
比較表
作成する

DWファイバー

2026/01/13 更新
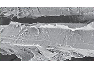
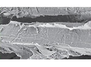
  • 製品姿
  • 通常の解繊処理した繊維
  • 特殊処理したDWファイバー

NETIS登録番号:KT-170110-A

概要

特殊解繊加工した木質繊維を土壌に混合することで保水性・透水性等を改善する材料。

お問い合わせ
お気に入りに登録
カートへ入れる

特徴

1.資源の有効活用
 国産の端材や未利用木材を利用している。
2.環境負荷が少ない
 バージン100%の木繊維であることから、土壌中で分解・土壌化するので環境負荷を抑えることが可能である。
3.地温変化を抑制
 嵩密度が低く、空気を多く含むので、地温の変化を抑える効果がある。
4.通水・保水性が高い
 木質資源を特殊処理することによってランダムな繊維構造を実現し、透水性・保水性が向上する。
5.土壌の団粒化を促進
 DWファイバーにフルボ酸を混合することにより、土壌粒子を凝集コロイド化して土壌の団粒化を促進する効果がある。
6.植物の生育を促進
 DWファイバーにフルボ酸を混合することにより、植生の光合成を活性化する効果がある。
※フルボ酸は森林や土壌の中に存在する有機酸のひとつで植物にミネラル補給する役目を担っている。

会社情報

会社名
サンスイ・ナビコ(株)
TEL
03-5623-3600
企業情報
公式サイト

このカテゴリーでよく比較される資材

!

エラーが発生しました。

次のいずれかの理由が考えられます。

比較可能な数量を超えたため
カートに追加できませんでした。
比較できる点数は20点までです。
「工種・工法」と「資材」を同時に
比較することはできません。
カート内を整理してご利用ください。
2点以上をカートに追加してください。
カート内容を確認する
!

カートへの追加
ありがとうございます。

会員登録をすれば、
カートに入れた製品の
比較表のダウンロードができます。

会員の方はこちら(ログイン) 新規会員登録
!

お気に入り登録
ありがとうございます。

会員登録をすれば、マイページより
いつでもお気に入り登録した商品を
見返すことができます。

会員の方はこちら(ログイン) 新規会員登録