比較資料
カートへ入れる
比較表
作成する
カートを
空にする

ブロフジョイント CDx型(車道用)低構造型二次止水タイプ

2026/04/13 更新
  • 製品単体
  • 製品断面図
  • 施工後イメージ

NETIS登録番号:KT-230293-A

概要

橋梁用伸縮装置として、ブロフジョイントは昭和37年に最初のモデルが発売されて以来、常に一貫として「伸縮継目部にも車輪圧に対する支圧強度をもたせ、道路面の一部として機能させる」という基本理念のもと設計、製作、施工され、各種橋梁、長大橋、斜橋などに使用されている。CDx型は、豊富な実績を持つCDs型をベースに、止水性能をさらに高めた表面鋼製ジョイントである。なお、二次止水構造タイプにブロフMUKADEパッキンを装着することで、低構造型を実現している。

続きを見る

お問い合わせ
お気に入りに登録
カートへ入れる

提供可能地域

北海道 東北 関東 北陸 中部 近畿 中国 四国 九州 沖縄
型番 質量
(kg/1.8m)
伸縮量
常時性能
橋軸方向
(mm)
伸縮量
常時性能
橋軸直角方向
(mm)
許容移動量
地震時性能
橋軸方向
(mm)
許容移動量
地震時性能
橋軸直角方向
(mm)
標準遊間
中立温度時
(mm)
最大床版遊間
最低温度時
(mm)
対応可能斜角
(°)
建設物価
(品目コード)
土木コスト
(掲載ページ)
CDx-20 60.0 +10/-10 +10/-10 +20/-15 +10/-10 62.0 72.0 45.0
CDx-30 61.0 +15/-15 +15/-15 +30/-20 +15/-15 77.0 92.0 45.0
CDx-40 65.0 +20/-20 +20/-20 +40/-25 +20/-20 100.0 120.0 45.0
CDx-50 78.0 +25/-25 +25/-25 +50/-30 +25/-25 109.0 134.0 45.0
CDx-60 83.0 +30/-30 +30/-30 +60/-35 +30/-30 132.0 162.0 45.0
CDx-80 105.0 +40/-40 +40/-40 +80/-45 +40/-40 176.0 216.0 45.0
CDx-100 106.0 +50/-50 +50/-50 +100/-55 +50/-50 186.0 236.0 45.0
設置区分
車道用 歩道用 縦目地
タイプ
荷重支持型 突合せ型 埋設型
装備
積雪地対応 二次止水 地覆止水
適用
コンクリート橋用 鋼橋用 鋼床版用
構造性
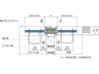
・波形のフェイスプレートで荷重を受け、翼鉄筋で定着する構造である。
・ジョイント遊間部のゴムパッキンが車両通過時の繰り返し衝撃を緩和する。
耐久性
・本体自体が鋼製であり走行面もプレートで、ゴムパッキンが表面に出ていないため、耐久性は高い。
走行性
・フェイスプレートの遊間を波形構造にすることによって、車両走行がスムーズになり走行性は良い。
止水性
・内蔵されたゴムパッキンは止水凸状をボルトで強固に固定し潰すことで止水性を確保しており、その上層に施した弾性シール材との二重構造による一次止水構造と、さらにブロフMUKADEパッキンによる二次止水構造によって優れた止水性を実現する。
環境性(騒音)
・表面歯形が緩やかな波型であるため、タイヤ通過時の衝撃を和らげ騒音も少ない。
施工性
・床版に設けたアンカー筋への締着後、コンクリートを打設するだけのシンプルな施工により完結するため施工性に優れる。
維持管理性
・フェイスプレートやゴムパッキンのみの交換は出来ないが、一体での交換は容易である。
・構造高が低いためはつり量を抑えることができる。
推定耐用年数(参考値)
50年相当(参考値)
第三者機関における疲労試験(600万回実施)および止水試験の結果、50年相当の性能を確認。
経済性(初期コスト)
お問い合わせください。
経済性(LCC)
お問い合わせください。

カタログ

カタログ(PDF)

CAD

会社情報

会社名
東京ファブリック工業(株)
TEL
03-5339-0833
企業情報
公式サイト

このカテゴリーでよく比較される資材

!

エラーが発生しました。

次のいずれかの理由が考えられます。

比較可能な数量を超えたため
カートに追加できませんでした。
比較できる点数は20点までです。
「工種・工法」と「資材」を同時に
比較することはできません。
カート内を整理してご利用ください。
2点以上をカートに追加してください。
カート内容を確認する カートを空にする
!

カートへの追加
ありがとうございます。

会員登録をすれば、
カートに入れた製品の
比較表のダウンロードができます。

会員の方はこちら(ログイン) 新規会員登録
!

お気に入り登録
ありがとうございます。

会員登録をすれば、マイページより
いつでもお気に入り登録した商品を
見返すことができます。

会員の方はこちら(ログイン) 新規会員登録