比較資料
カートへ入れる
比較表
作成する
カートを
空にする

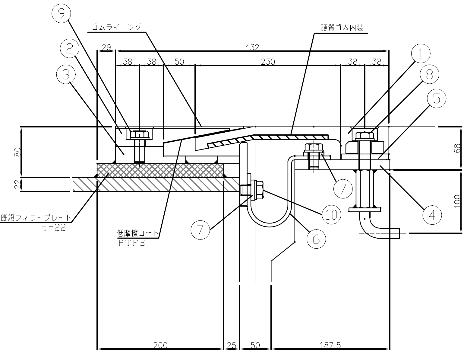
タンスライドジョイント(全方向対応型)

2026/05/20 更新
  • 製品単体
  • 製品断面図
  • 施工後イメージ

概要

目地方向はフリーに動き、目地直角方向は施工状況に合わせた設定が可能で、鉛直方向は急激な段差を防止する、スムーズな歩行性を実現した全方向対応型スライド式ゴムジョイントである。

お問い合わせ
お気に入りに登録
カートへ入れる

提供可能地域

北海道 東北 関東 北陸 中部 近畿 中国 四国 九州 沖縄
型番 質量
(kg/1.8m)
伸縮量
常時性能
橋軸方向
(mm)
伸縮量
常時性能
橋軸直角方向
(mm)
許容移動量
地震時性能
橋軸方向
(mm)
許容移動量
地震時性能
橋軸直角方向
(mm)
標準遊間
中立温度時
(mm)
最大床版遊間
最低温度時
(mm)
対応可能斜角
(°)
建設物価
(品目コード)
土木コスト
(掲載ページ)
全方向対応型 90.0 +50/-50 +50/-50 100.0 150.0
設置区分
車道用 歩道用 縦目地
タイプ
荷重支持型 突合せ型 埋設型
装備
積雪地対応 二次止水 地覆止水
適用
コンクリート橋用 鋼橋用 鋼床版用
構造性
・表面に溝を作らず、スムーズな方向性、目地、目地直角、鉛直方向の移動が可能な伸縮継手である。
耐久性
・全方向に移動が可能なため本体の耐久性は良い。
走行性
・スライド式で表面に溝がないため歩行に支障が生じない。
止水性
・スライド式のゴムジョイントだが、遊間部に取り付けられた止水パッキンにより止水性を確保している。
環境性(騒音)
・表面がゴムの為、自転車通過時の衝撃を吸収し、騒音は発生しない。
施工性
・型枠を兼ねたベースプレートを床版に設けたアンカー筋への締着、コンクリートを打設後、伸縮ゴム材をボルト締結するだけのシンプルな施工により完結するため施工性に優れる。
維持管理性
・伸縮ゴム材のみの交換は可能であり、締結ボルトの脱着のみで作業は容易である。
推定耐用年数(参考値)
20年程度(参考値)
使用環境により一概には言えないが、一般的なゴムジョイントの推定耐用年数や実績から20年程度を見込んでいる。
経済性(初期コスト)
お問い合わせください。
経済性(LCC)
お問い合わせください。

カタログ

カタログ(PDF)

会社情報

会社名
東京ファブリック工業(株)
TEL
03-5339-0833
企業情報
公式サイト

このカテゴリーでよく比較される資材

!

エラーが発生しました。

次のいずれかの理由が考えられます。

比較可能な数量を超えたため
カートに追加できませんでした。
比較できる点数は20点までです。
「工種・工法」と「資材」を同時に
比較することはできません。
カート内を整理してご利用ください。
2点以上をカートに追加してください。
カート内容を確認する カートを空にする
!

カートへの追加
ありがとうございます。

会員登録をすれば、
カートに入れた製品の
比較表のダウンロードができます。

会員の方はこちら(ログイン) 新規会員登録
!

お気に入り登録
ありがとうございます。

会員登録をすれば、マイページより
いつでもお気に入り登録した商品を
見返すことができます。

会員の方はこちら(ログイン) 新規会員登録