比較資料
カートへ入れる
比較表
作成する
カートを
空にする

ラバトップジョイントGT型

2025/08/25 更新
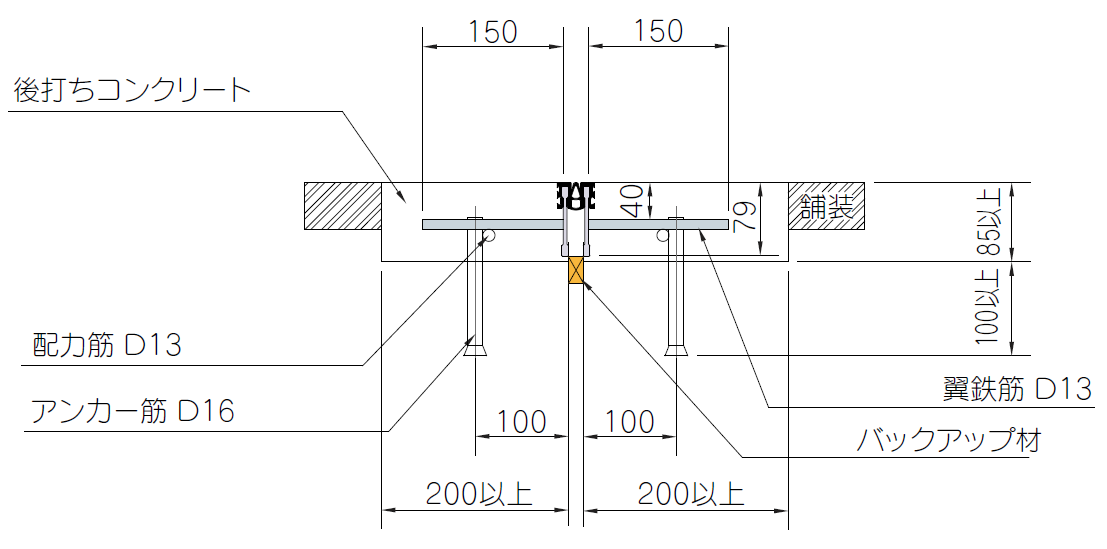
  • 製品断面図

概要

取付の容易性と経済性を考慮した汎用ゴムジョイント。走行性と耐久性のバランスが良い。

お問い合わせ
お気に入りに登録
カートへ入れる

提供可能地域

北海道 東北 関東 北陸 中部 近畿 中国 四国 九州 沖縄
型番 質量
(kg/1.8m)
伸縮量
常時性能
橋軸方向
(mm)
伸縮量
常時性能
橋軸直角方向
(mm)
許容移動量
地震時性能
橋軸方向
(mm)
許容移動量
地震時性能
橋軸直角方向
(mm)
標準遊間
中立温度時
(mm)
最大床版遊間
最低温度時
(mm)
対応可能斜角
(°)
建設物価
(品目コード)
土木コスト
(掲載ページ)
GT 15.0 - +15/-15 - - 40.0 1203016030 P174
設置区分
車道用 歩道用 縦目地
タイプ
荷重支持型 突合せ型 埋設型
適用
コンクリート橋用 鋼橋用 鋼床版用
構造性
・舗装表面には鋼材が露出せず、ゴム部材で覆われる構造である。
耐久性
・表面に出ている伸縮部分が少ないため、通行車両の荷重を受けづらい構造。
・ゴム部材はせん断変位に追従し耐久性に優れる部材である。
走行性
・表面に出ている伸縮部分が少ないため、通行車両のタイヤかかり面積が狭いためにスリップしずらく、安全性に配慮した設計である。
止水性
・ゴム部材の側面は凹凸形状となっており、雨水が侵入しづらい形状である。
環境性(騒音)
・舗装表面には鋼材が露出せず、ゴム部材で覆われる構造であるため、騒音が生じづらい。
施工性
・シンプルな構造であり、据え付けが簡易である。
維持管理性
・シンプルな構造であり、撤去が簡易である。
経済性(初期コスト)
お問い合わせください。
経済性(LCC)
お問い合わせください。

カタログ

カタログ(PDF)

会社情報

会社名
アオイ化学工業(株)
TEL
082-877-1341
企業情報
公式サイト

このカテゴリーでよく比較される資材

!

エラーが発生しました。

次のいずれかの理由が考えられます。

比較可能な数量を超えたため
カートに追加できませんでした。
比較できる点数は20点までです。
「工種・工法」と「資材」を同時に
比較することはできません。
カート内を整理してご利用ください。
2点以上をカートに追加してください。
カート内容を確認する カートを空にする
!

カートへの追加
ありがとうございます。

会員登録をすれば、
カートに入れた製品の
比較表のダウンロードができます。

会員の方はこちら(ログイン) 新規会員登録
!

お気に入り登録
ありがとうございます。

会員登録をすれば、マイページより
いつでもお気に入り登録した商品を
見返すことができます。

会員の方はこちら(ログイン) 新規会員登録